صفحه محصول - سمینار ارشد برق - روشهای خنثی سازی توان راکتیو درشبکه توزیع - 29 صفحه - pdf word powerpoint

سمینار ارشد برق - روشهای خنثی سازی توان راکتیو درشبکه توزیع - 29 صفحه - pdf word powerpoint


از موضوعات مورد علاقه در رشته برق قدرت بوده و شامل عناوین زیر است :
مفهوم توان راکتیو
اهمیت تثبیت ولتاژ در شبکه
نقش AVR
روشهای مهارکردن قدرت راکتیو و ولتاژ
اصلاح ضریب قدرت ( کسینوس فی)
بهبود تنظیم ولتاژ
متعادل کردن بار
علت توسعه سیستمهای اصلاح ضریب قدرت در مراکز صنعتی
افزایش قدرت اکتیو و تثبیت قدرت ظاهری
تثبیت قدرت اکتیو و کاهش قدرت ظاهری
انواع خنثی سازها
خنثی سازهای خازنی و مزایای آن
خنثی سازهای سلفی ( راکتور)
موتور سنکرون
کندانسور سنکرون - مزایا و معایب آن
مقایسه ویژگیها و کاستیهای خنثی سازها
محدود سازی توان راکتیو کارخانه ها
محل نصب خازن
انواع خنثی سازی یا تعدیل
کمپنزاسیون انفرادی
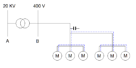
کمپنزاسیون گروهی
کمپنزاسیون مرکزی
بهمراه نتیجه گیری ، روابط ، جداول و شکلهای مربوطه

برای بازکردن فایل نیاز به نرم افزارهای زیر دارید :RARZIP
pdf + word + powerpoint

فایل های دیگر این دسته

مجوزها،گواهینامه ها و بانکهای همکار

فروشگاه فایل صدرا دارای نماد اعتماد الکترونیک از وزارت صنعت و همچنین دارای قرارداد پرداختهای اینترنتی با شرکتهای بزرگ به پرداخت ملت و زرین پال و آقای پرداخت میباشد که در زیـر میـتوانید مجـوزها را مشاهده کنید