صفحه محصول - تحقیق و برنامه ریزی منابع تولید پراکنده در سیستم توزیع - 75 صفحه - pdf -word

تحقیق و برنامه ریزی منابع تولید پراکنده در سیستم توزیع - 75 صفحه - pdf -word


فصل اول: کلیات تحقیق 1-1 مقدمه
1-2 بیان مسئله
1-3 اهمیت وضرورت تحقیق
1-4 اهداف و فرضیه های تحقیق
1-5 فرضیه ها وپرسش تحقیق
1-6 روش تحقیق
1-7 نوآوری تحقیق
1-8 چگونگی جمع آوری داده ها
1-9 ساختار پایان نامه
فصل دوم: مروری بر ادبیات و پیشینه تحقیق
2-1 مقدمه
2-2 تعریف منابع تولید پراکنده در کشورهای مختلف جهان
2-3 کاربردهای منابع تولید پراکنده
2-4 فواید منابع تولید پراکنده
2-5 انواع تکنولوژی منابع تولید پراکنده
2-5-1 موتورهای رفت و برگشتی
2-5-2 میکروتوربینها
2-5-3 توربینهای احتراق صنعتی
2-5-4 پیلهای سوختی
2-5-5 سیستمهای فتوولتائیک
2-5-6 سیستمهای توربین بادی
2-5-7 سیستمهای زیست توده
2-5-8 سیستم زمین گرمایی
2-6 دلایل رویکرد به منابع تولید پراکنده در دنیا
2-7 موانع ومشکلات توسعه تولید پراکنده در دنیا
2-7-1 راهکارهای کاهش موانع فنی
2-8 منابع تولید پراکنده در ایران
2-8-1 دلایل رویکرد به منابع تولید پراکنده در ایران
2-8-2 پتانسیل منابع تولید پراکنده در ایران
2-9 مشخصات برخی نیروگاههای تجدید پذیر درجال بهره برداری در ایران
2-10 بررسی برخی تجربیات جهانی
2-10-1 تجربه کشور آلمان در خصوص توسعه انرژیهای تجدید پذیر
2-10-2 تجربه کشور چین در رابطه با انرژیهای تجدید پذیر
فصل سوم: روش اجرای تحقیق
3-1 مقدمه
3-2 اتصال تولیدات پراکنده به شبکه
3-3 روش کار
3-4 مدل بار
3-5 مدل بار براساس سیستم نمونه
3-6 فرمولاسیون مسئله
3-7 شبیه سازی شبکه
3-8 برنامه ریزی تعمییر ونگهداری تولیدات پراکنده
3-8-1 تعیین زمان تعمییر ونگهداری
3-8-2 مدت زمان خروج یک واحد از مدار
3-8-3 عدم خروج دو یا چند واحد بطور همزمان
3-8-4 تاثیرات خروج یک واحد بر روی بازار برق
3-9 نوع تعمییرات
3-10 شبیه سازی شبکه
فصل چهارم: تجزیه و تحلیل داده ها
4-1 مقدمه
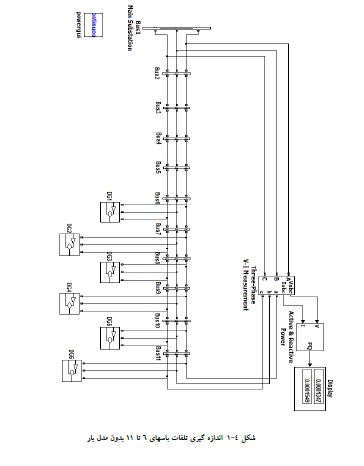
4-2 توزیع بار بصورت یکنواخت
4-3 توزیع بار با اثر رشد بار ( توزیع بار افزایشی )
4-4 توزیع بار بصورت متمرکز ( بارگیری افزایشی شرایطی )
فصل پنجم: نتیجه گیری وپیشنهادات
5-1 مقدمه
5-2 نتیجه گیری
5-3 پیشنهادات

برای بازکردن فایل نیاز به نرم افزارهای زیر دارید :RARZIP
pdf +word

فایل های دیگر این دسته

مجوزها،گواهینامه ها و بانکهای همکار

فروشگاه فایل صدرا دارای نماد اعتماد الکترونیک از وزارت صنعت و همچنین دارای قرارداد پرداختهای اینترنتی با شرکتهای بزرگ به پرداخت ملت و زرین پال و آقای پرداخت میباشد که در زیـر میـتوانید مجـوزها را مشاهده کنید